Control range | 7 ÷ 77 °C |
Variation of maximal cutout temperature | ±6 °C |
Switching difference | 2-5 K |
Rated current | 16 (2,6) A |
Rated voltage | 240 V ~ |
Temperature range (switching unit) | 0 ÷ 150 °C |
Max. temperature (sensor) | 90 °C |
Protection | IP 00, built-in thermostat |
Protection class | I |
Guaranteed number of automatic working cycles | 100.000 |
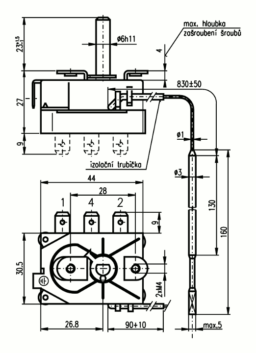
Capillary length | 500 mm |
Min. radius of capillary bend | Rmin = 5 mm |
Connecting terminals | flat pins 6,3 x 0,8 in accordance with ČSN EN 61210 |
Product is VDE certified.
Type |
Control range [°C]
|
Design
(break./switch.) |
No. of terminals
|
Design
(straight/angular) |
Earthing terminal
|
8803.02 |
7-77
|
breaking
|
2
|
straight
|
yes
|
8803.02 U |
7-77
|
breaking
|
2
|
angular
|
yes
|
8803.021 |
7-77
|
switching
|
3
|
straight
|
yes
|
8803.021U | 7-77 |
switching
|
3
|
angular
|
yes
|